021-67811206/62311387

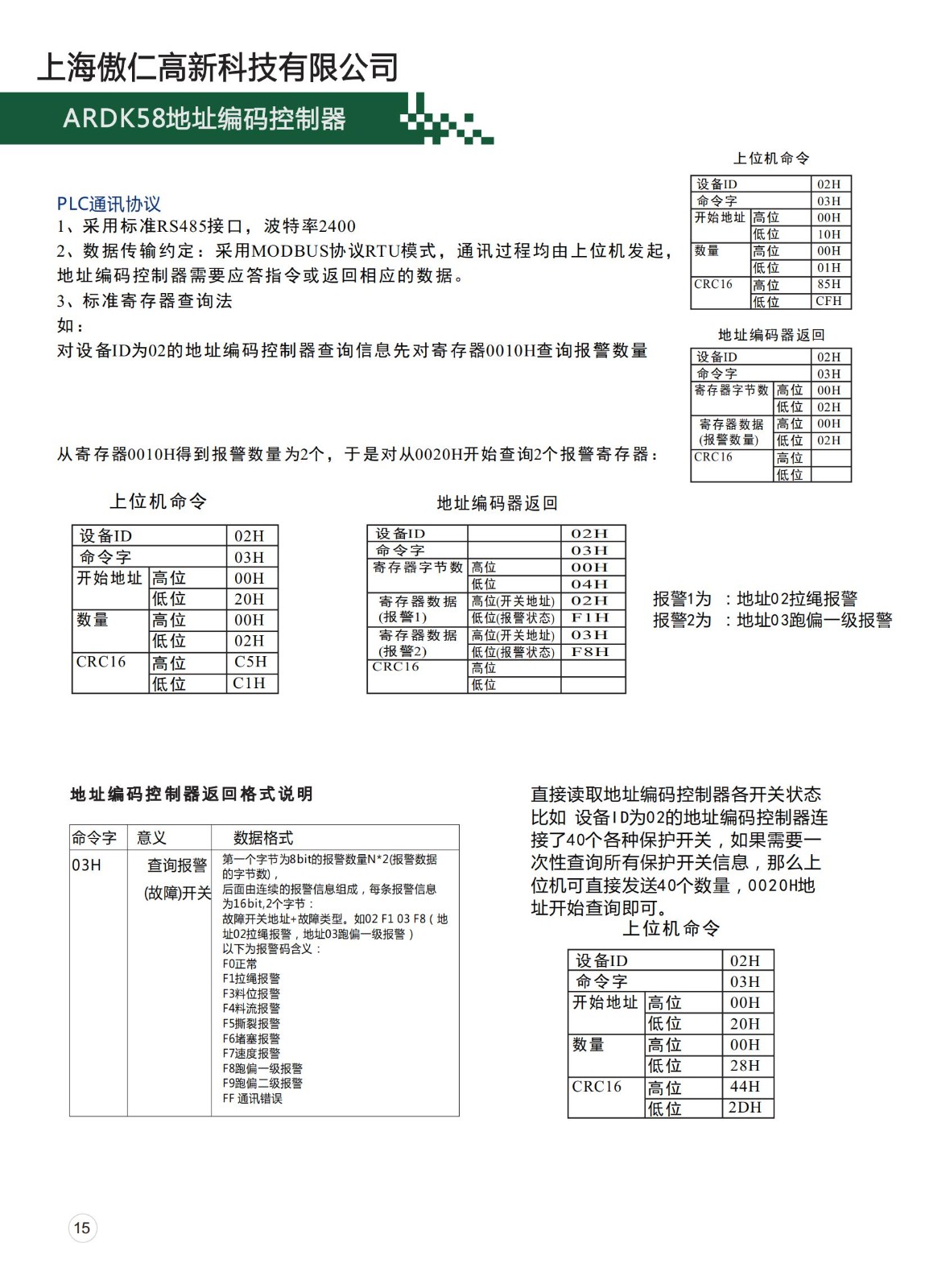
ARDK58地址编码控制器

1682654621180234.jpg

1682654621771564.jpg

1682654621538582.jpg


  • 地址:上海市莘砖公路518号(漕河泾松江高科技园21栋4楼)
  • 电话:0086(21)-67811206
  • 传真:0086(21)-62311387
  • 邮件:aoren888@163.com
  • Copyright © 2022-2025 上海傲仁高新科技有限公司 All rights reserved  沪ICP备17012952号-2    沪公网安备31011702889763号